SA 206-20 G - FBJ

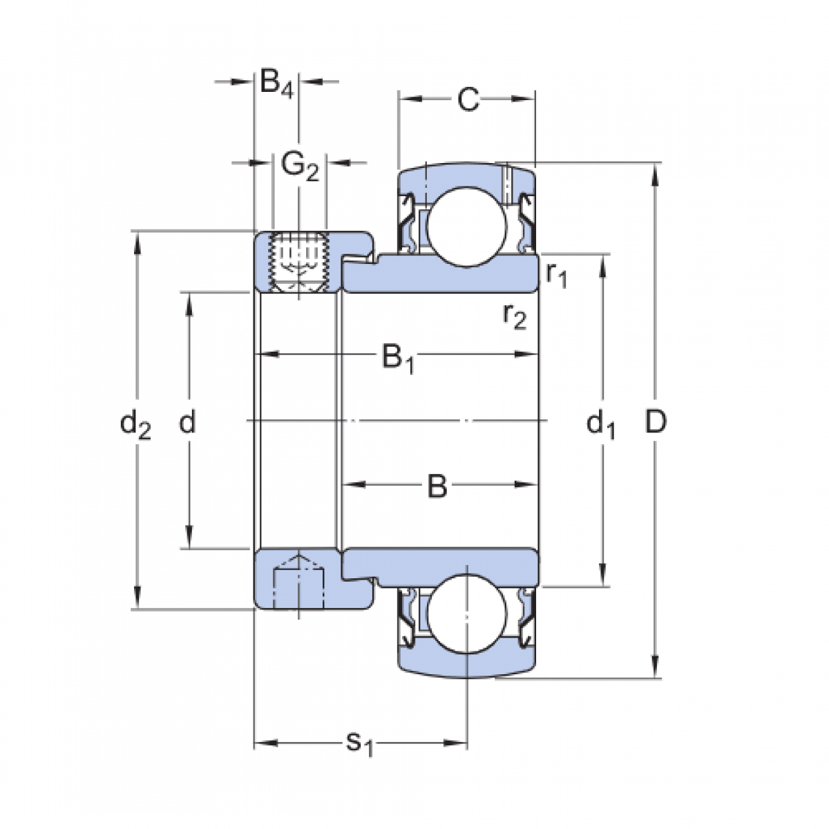
Rozmer: 31,75x62x35,7/18 Značka: FBJ
Externý sklad na dopyt
+
-
ks