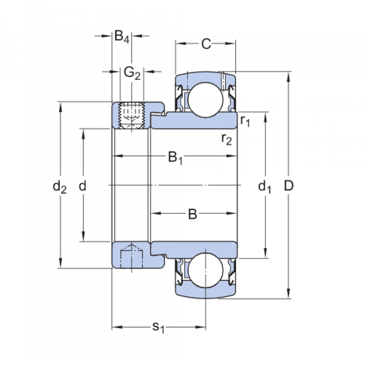
SA 206 /AEL 206 D1 - NTN

Rozmer: 30x62x33,9/16 Značka: NTN
Externý sklad na dopyt
+
-
ks