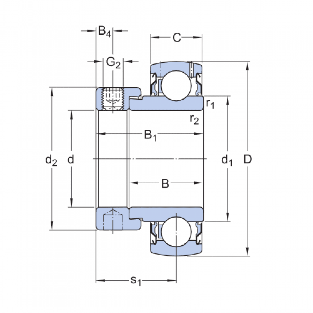
SA 206 / UE/ YET 206 - KDF

Rozmer: 30x62x33,9/16 Značka: CHINA+OSTATNÉ
Skladom 2 ks na dopyt
+
-
ks