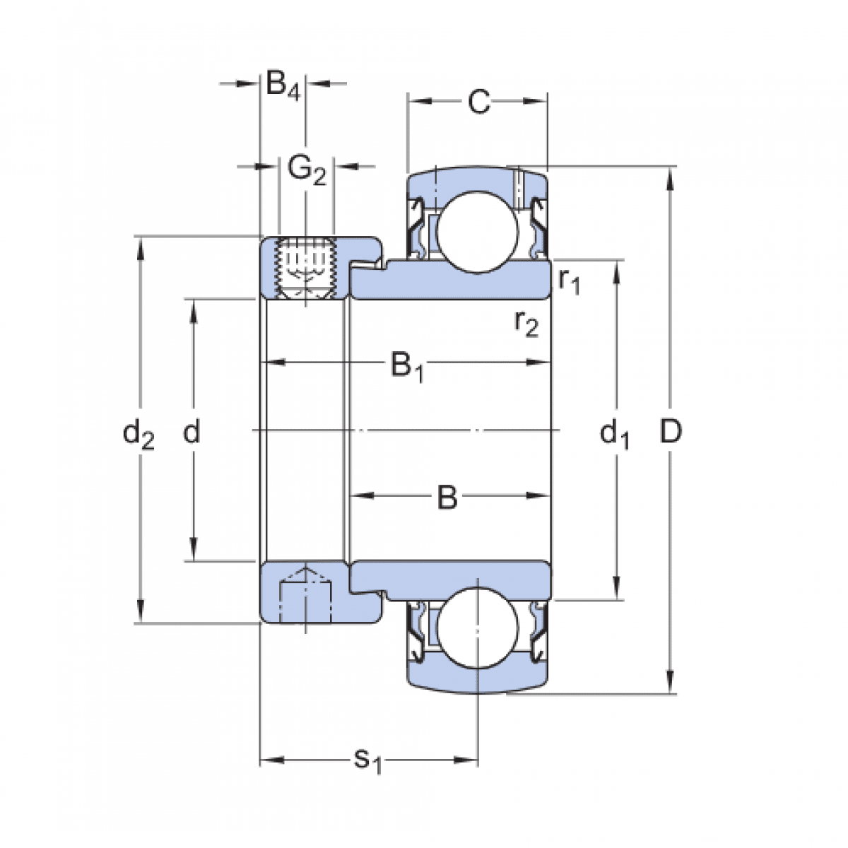
SA 208 /AEL/YET208 - ISB

Rozmer: 40x80x40,5/18 Značka: ISB, JNS
Externý sklad na dopyt
+
-
ks