SA 209 /UE/YET - FBJ

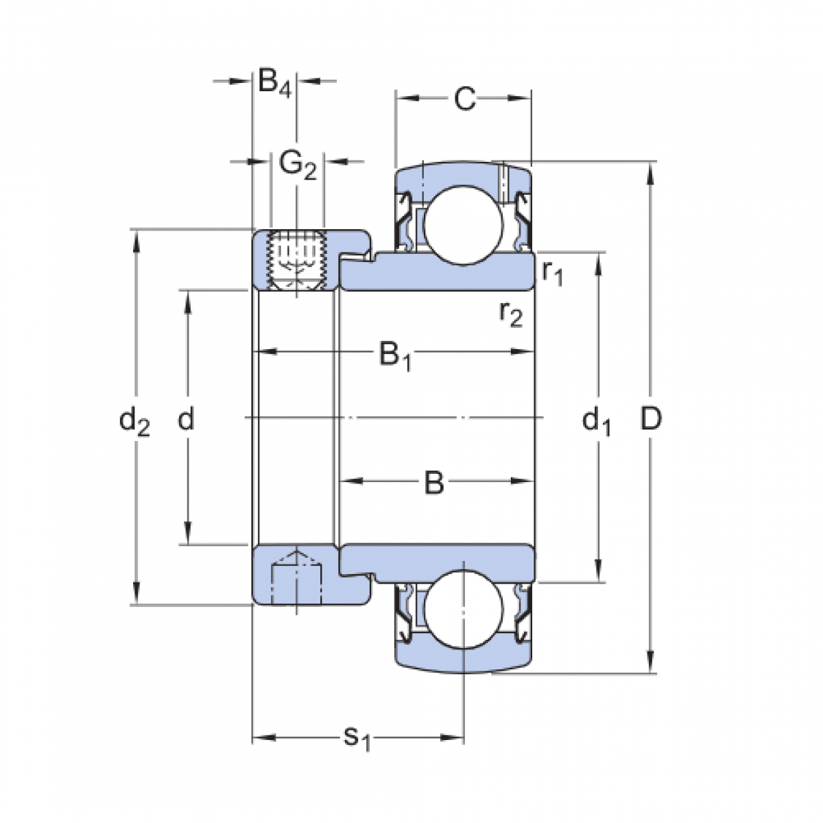
Rozmer: 45x85x42,2/19 Značka: FBJ
Skladom 12 ks na dopyt
+
-
ks