SB 202 - FBJ

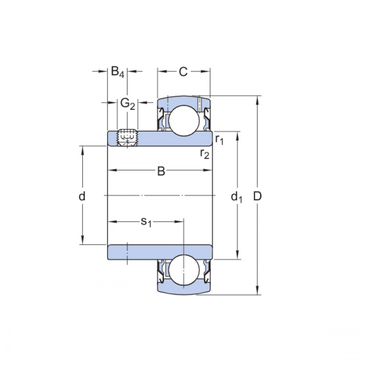
Rozmer: 15x40x22/12 Značka: FBJ
Externý sklad na dopyt
+
-
ks