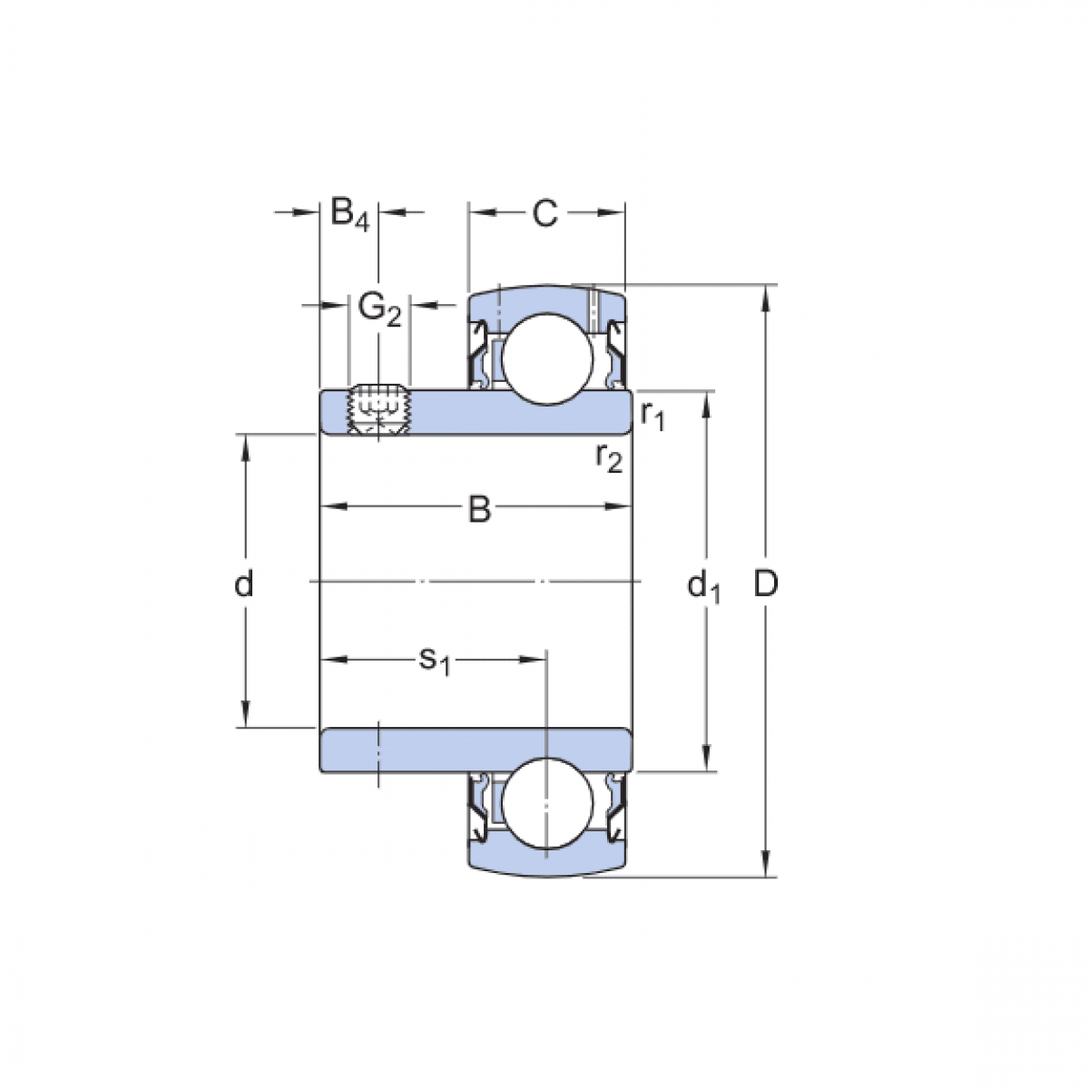
SB 207 /UE 207 - BBC

Rozmer: 35x72x32/17 Značka: BBC
Skladom 1 ks na dopyt
+
-
ks