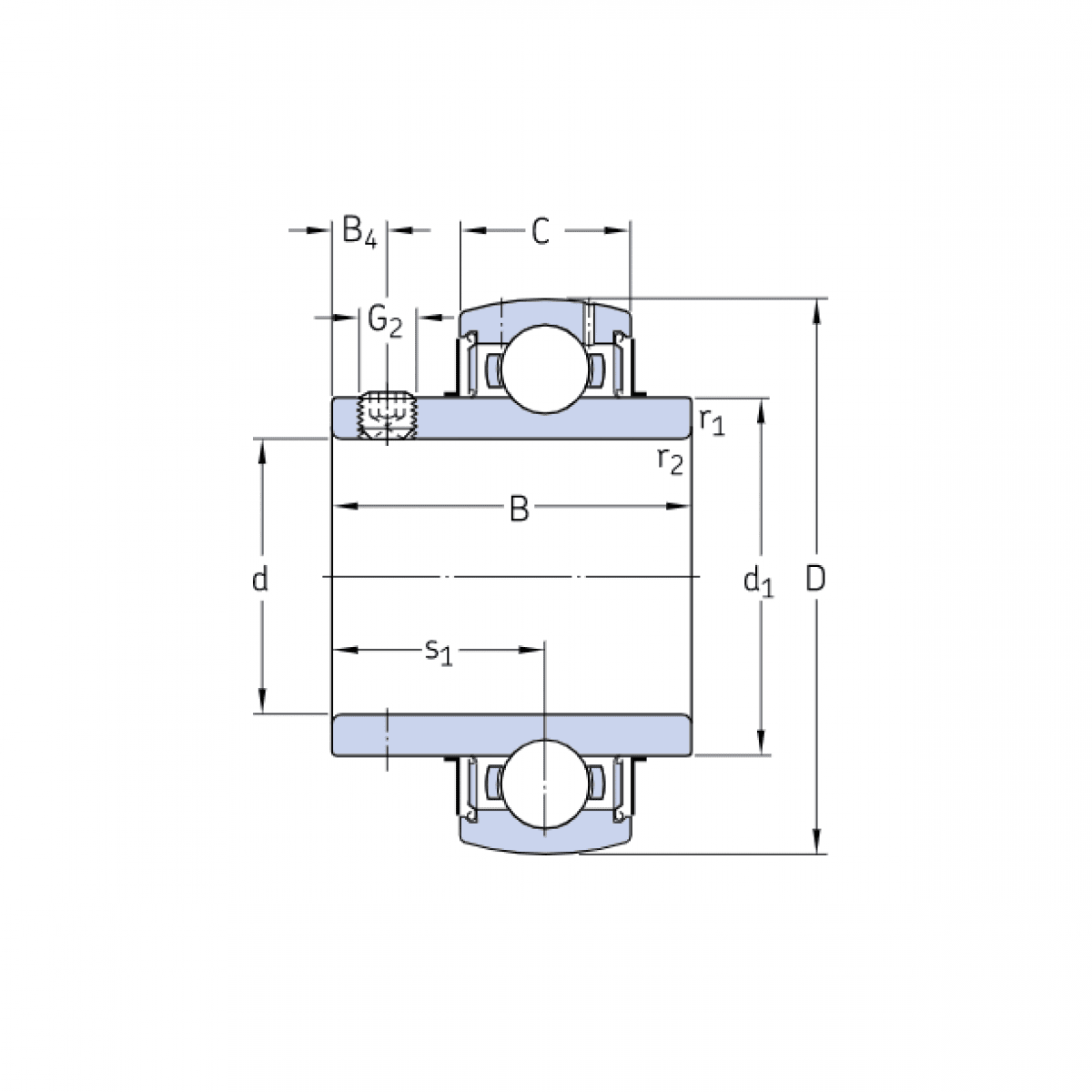
UC 204 - BBC

Rozmer: 20x47x31/17 Značka: BBC
Externý sklad na dopyt
+
-
ks