UC 210 - BBC

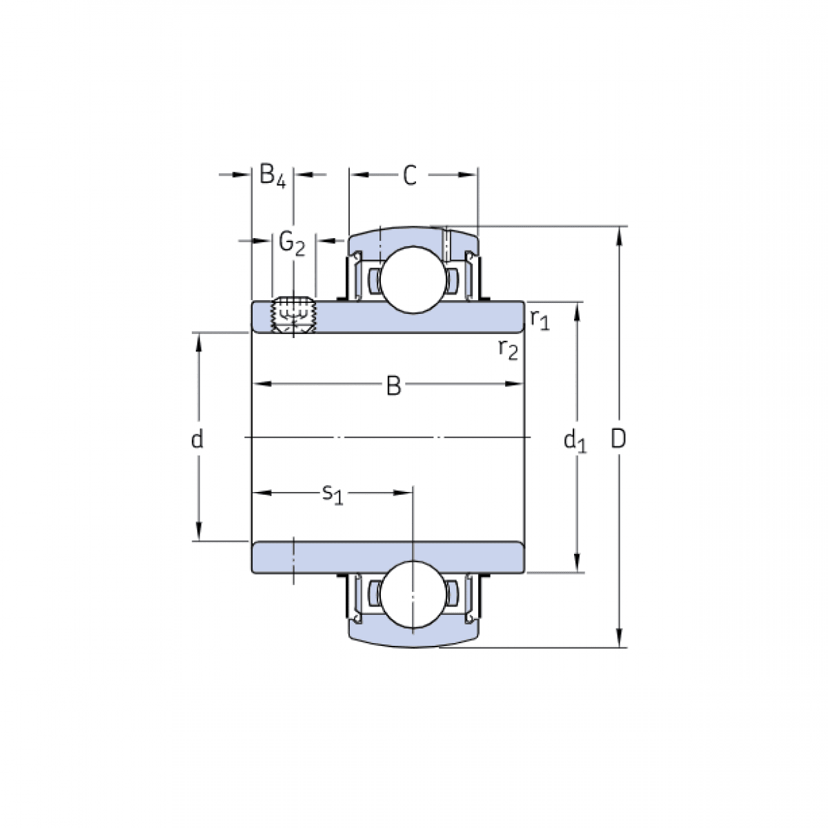
Rozmer: 50x90x51,6/24 Značka: BBC
Externý sklad na dopyt
+
-
ks