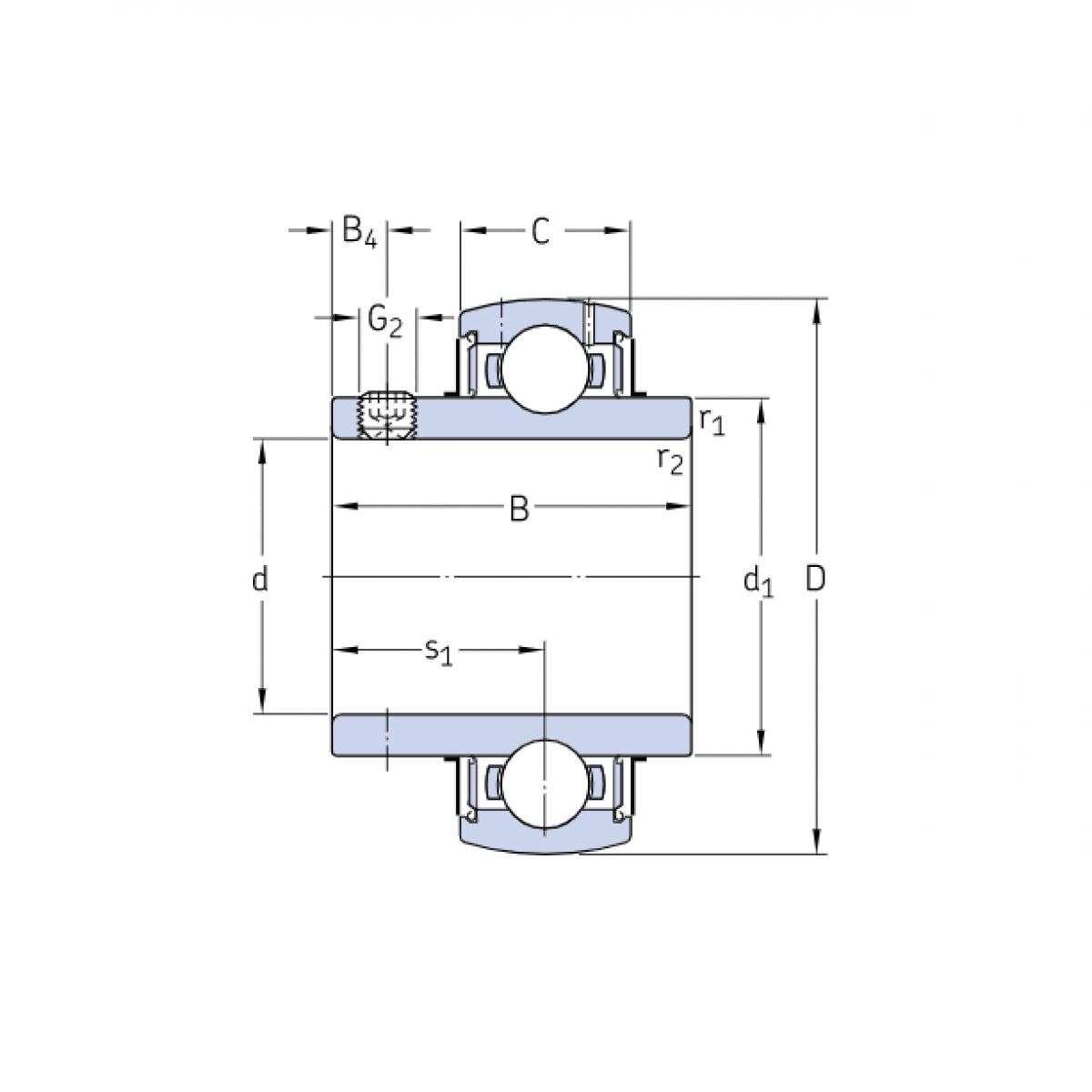
UC 210 - CX

Rozmer: 50x90x51,6/24 Značka: CX
Externý sklad na dopyt
+
-
ks