UC 210 - FBJ

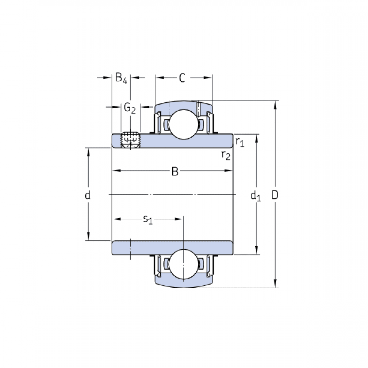
Rozmer: 50x90x51,6/24 Značka: FBJ
Externý sklad na dopyt
+
-
ks