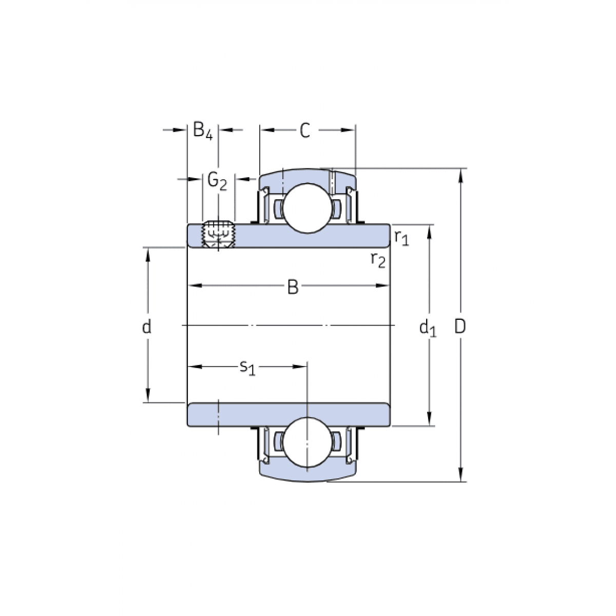
UC 211 - FK

Rozmer: 55x100x55,6/25 Značka: FK
Externý sklad na dopyt
+
-
ks