UCP 209 - FBJ

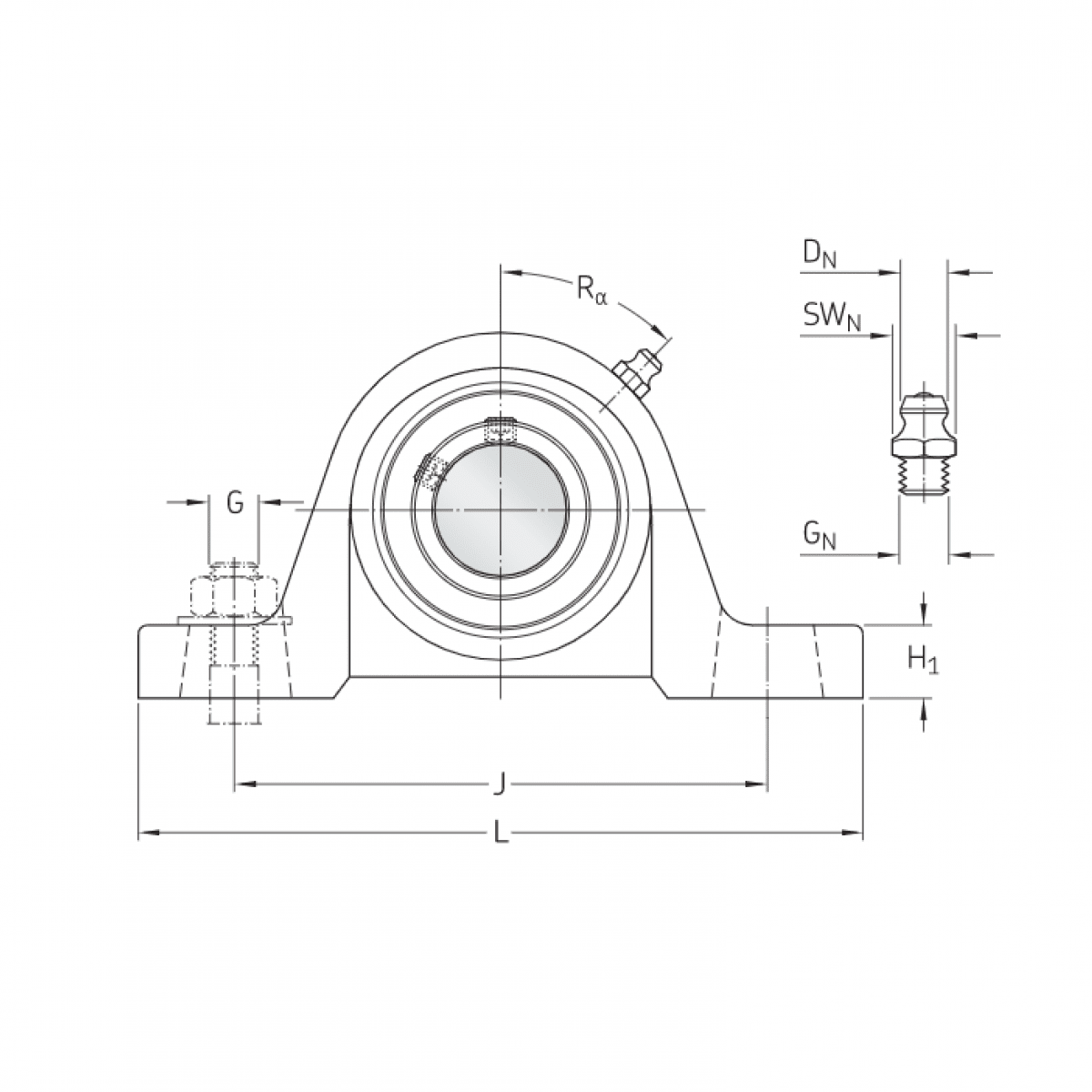
Rozmer: 45x190x146/ 17x22 Značka: FBJ
Externý sklad na dopyt
+
-
ks