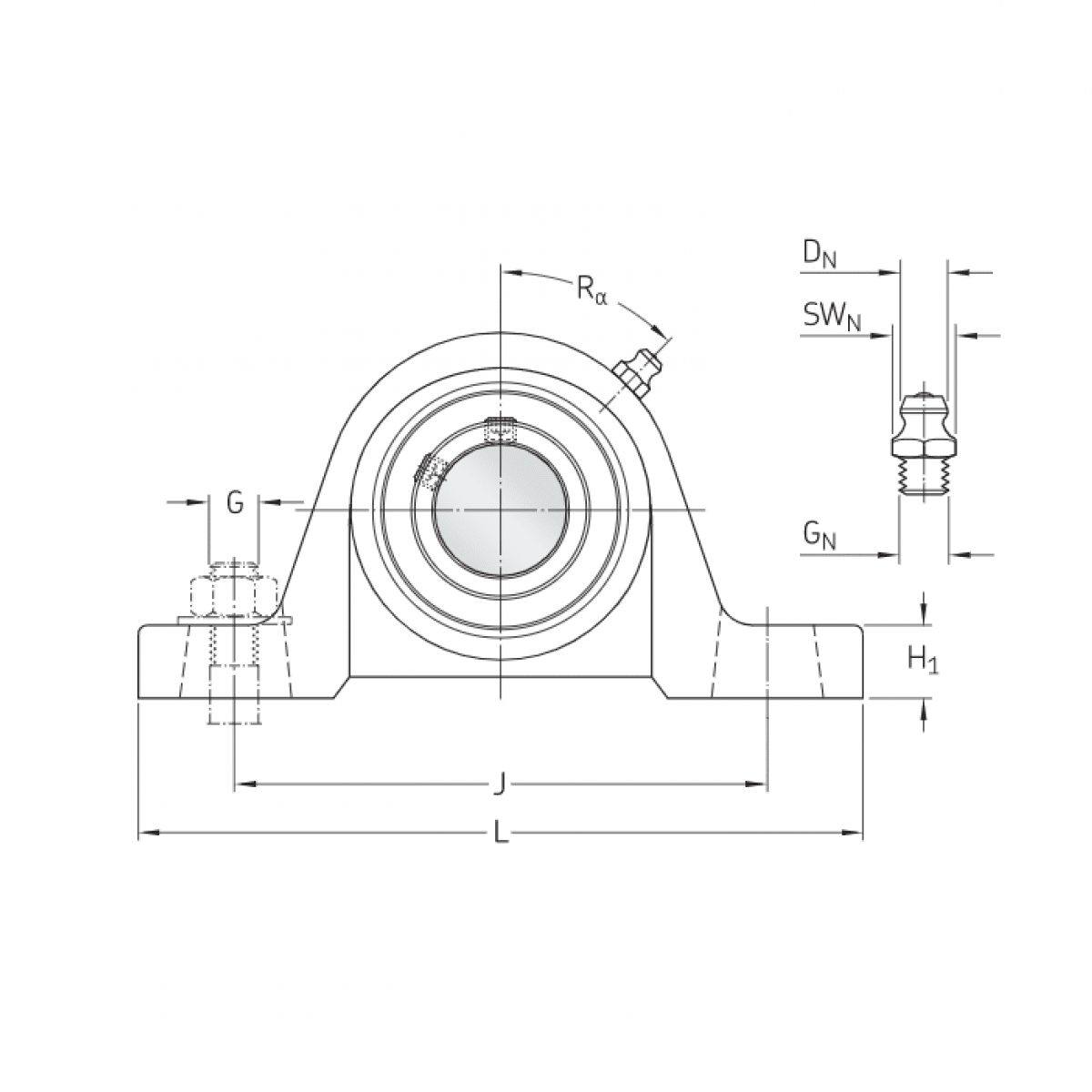
UCP 307 - SNR

Rozmer: 35x210x160/ 17x14 Značka: SNR
Externý sklad na dopyt
+
-
ks