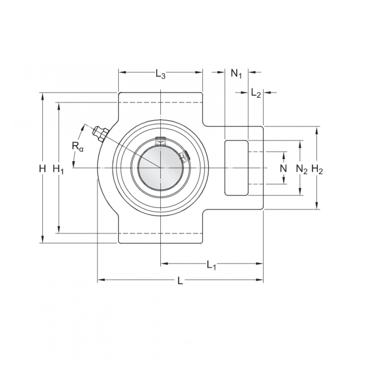
UCT 206 - KBS

Rozmer: 30x102x113/ 22x12 Značka: KBS, KBC
Externý sklad na dopyt
+
-
ks