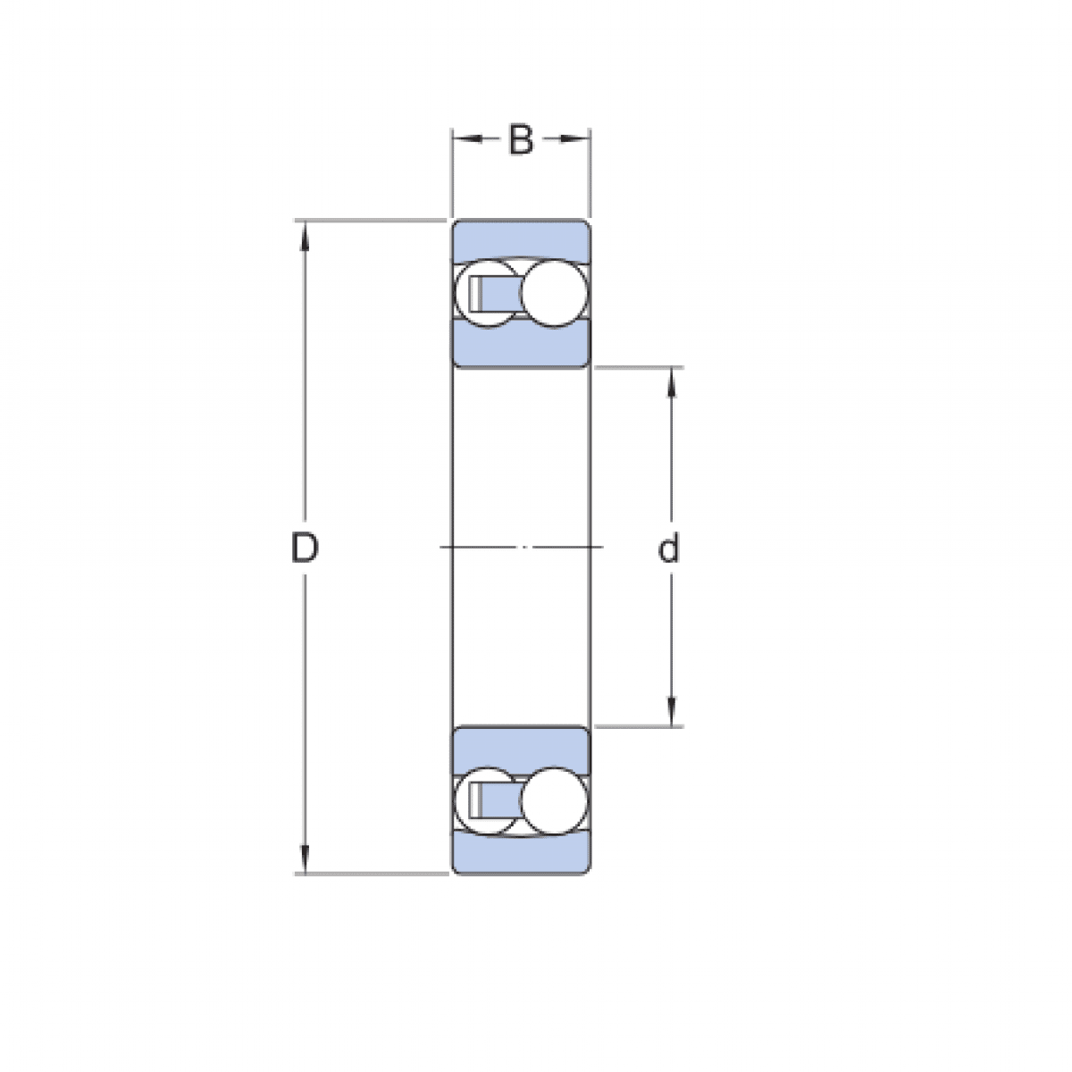
Ložisko 1205 - ISB

Rozmer: 25x52x15 Značka: ISB, JNS
Skladom 5 ks na dopyt
+
-
ks