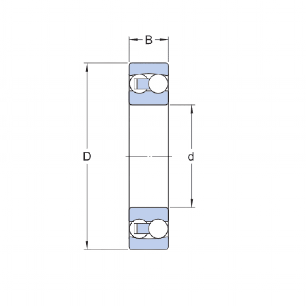
Ložisko 1216 - CX

Rozmer: 80x140x26 Značka: CX
Externý sklad na dopyt
+
-
ks