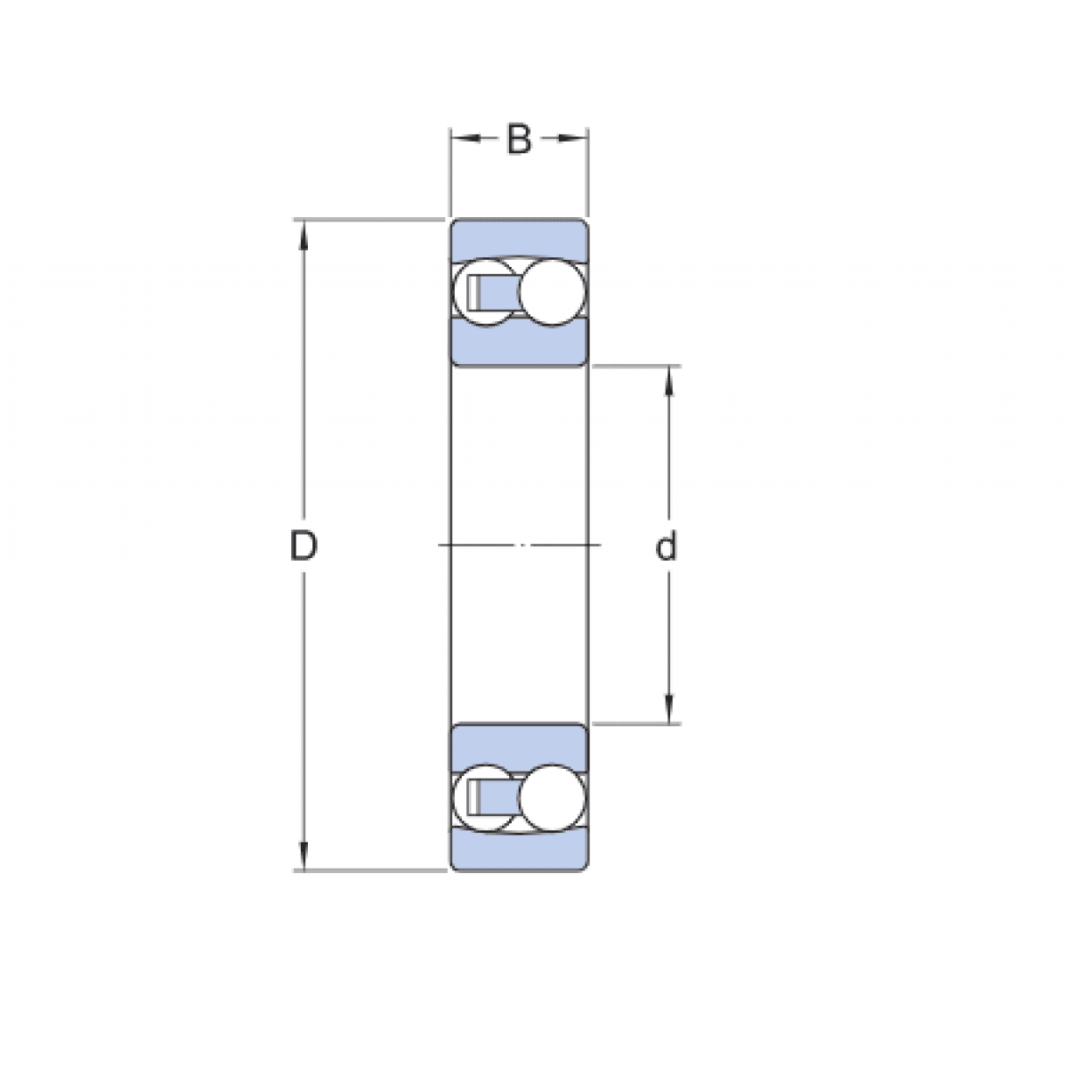
Ložisko 1216 - KBS

Rozmer: 80x140x26 Značka: KBS, KBC
Externý sklad na dopyt
+
-
ks