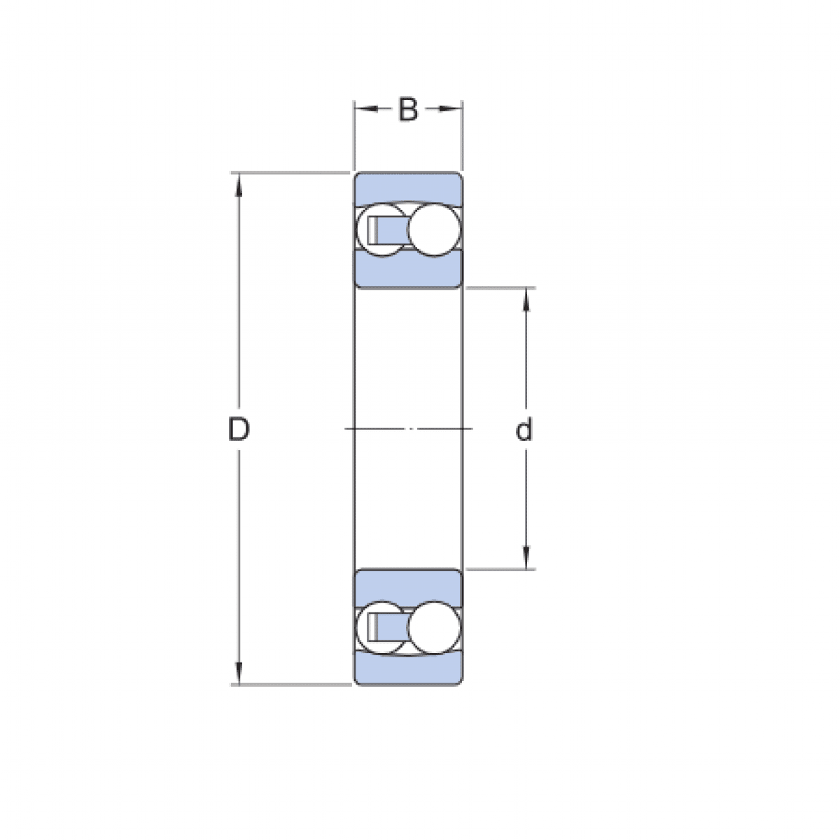
Ložisko 1218 - ZKL

Rozmer: 90x160x30 Značka: ZKL
Externý sklad na dopyt
+
-
ks