Ložisko 1222 - ZKL

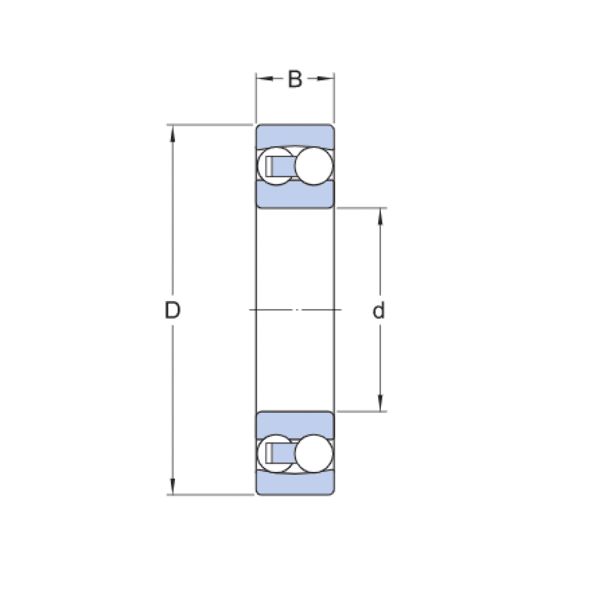
Rozmer: 110x200x38 Značka: ZKL
Skladom 1 ks na dopyt
+
-
ks