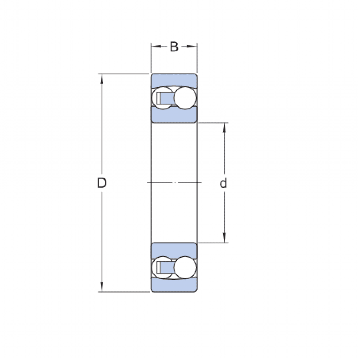
Ložisko 1304 - CX

Rozmer: 20x52x15 Značka: CX
Skladom 1 ks na dopyt
+
-
ks