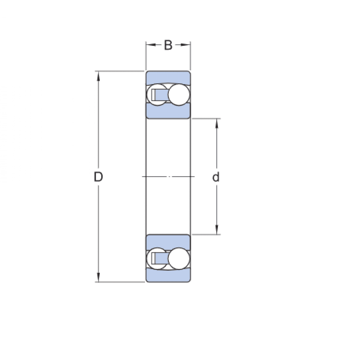
Ložisko 1305 P6 - BBC

Rozmer: 25x62x17 Značka: BBC
Externý sklad na dopyt
+
-
ks