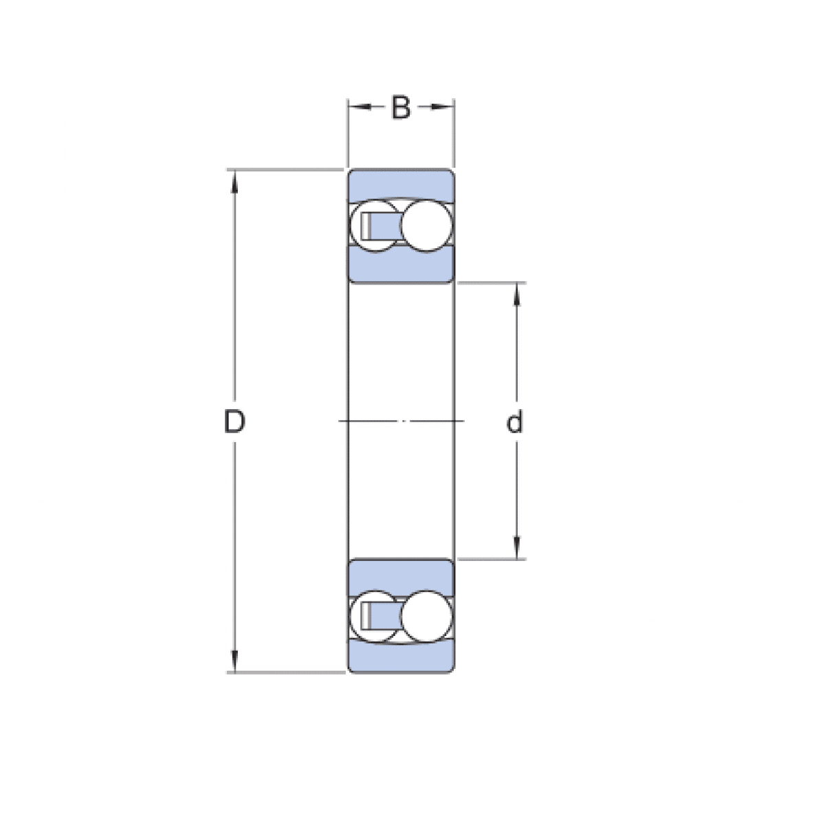
Ložisko 1305 - ZKL

Rozmer: 25x62x17 Značka: ZKL
Externý sklad na dopyt
+
-
ks