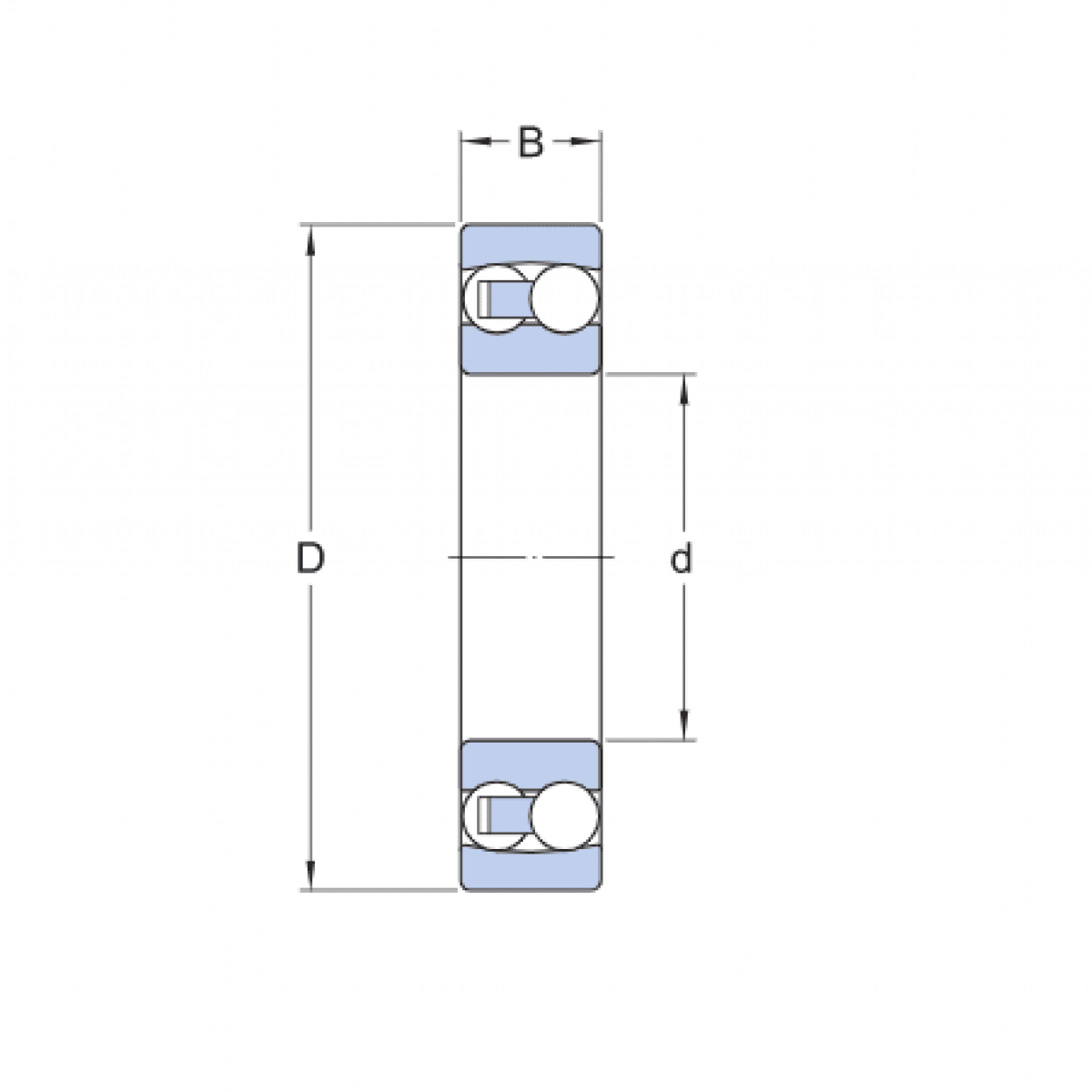
Ložisko 1306 - CX

Rozmer: 30x72x19 Značka: CX
Skladom 2 ks na dopyt
+
-
ks