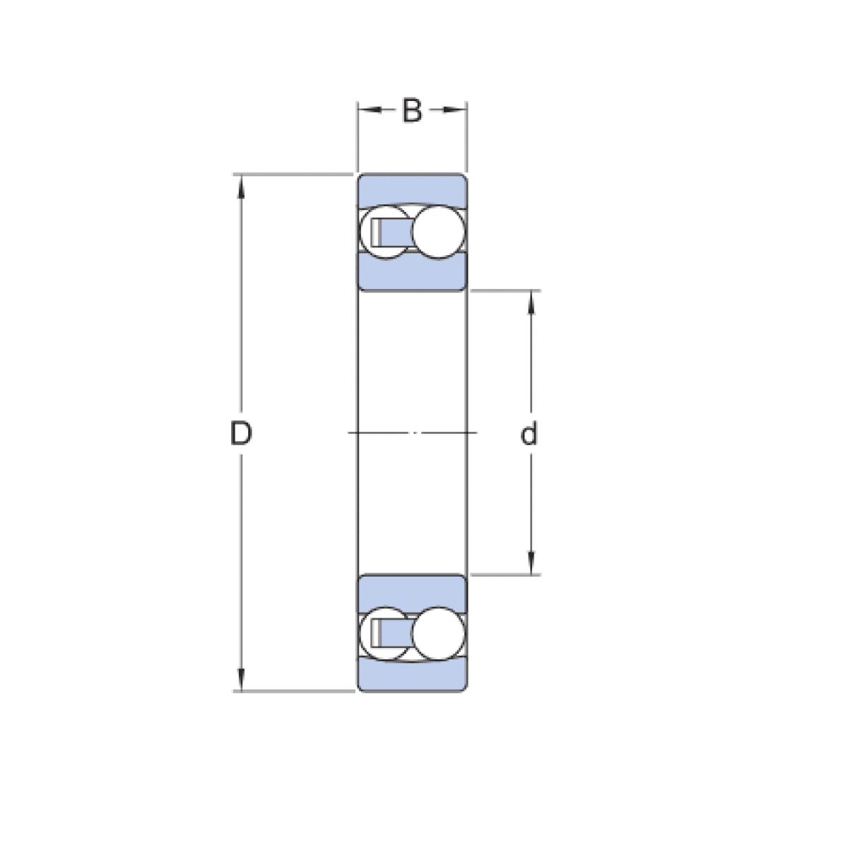
Ložisko 1306 - ISB

Rozmer: 30x72x19 Značka: ISB, JNS
Skladom 2 ks na dopyt
+
-
ks