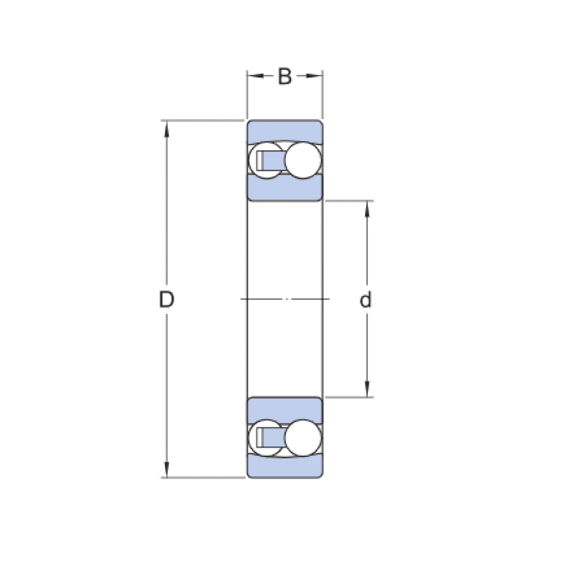
Ložisko 1308 - ISB

Rozmer: 40x90x23 Značka: ISB, JNS
Skladom 3 ks na dopyt
+
-
ks