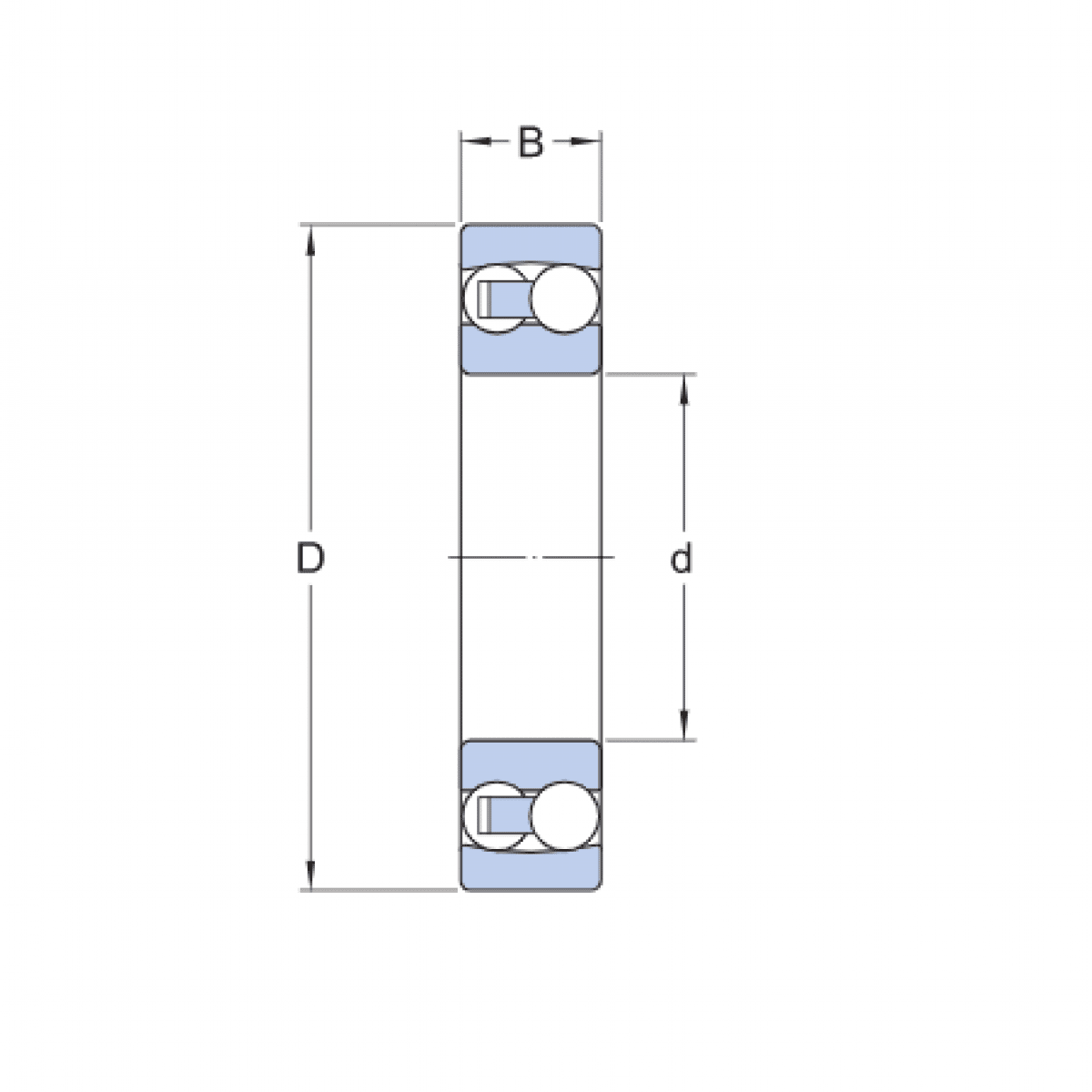
Ložisko 1308 - MTM

Rozmer: 40x90x23 Značka: MTM
Externý sklad na dopyt
+
-
ks