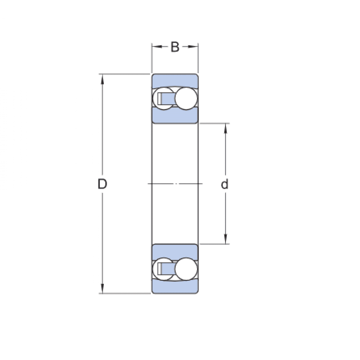
Ložisko 1309 - ISB

Rozmer: 45x100x25 Značka: ISB, JNS
Externý sklad na dopyt
+
-
ks