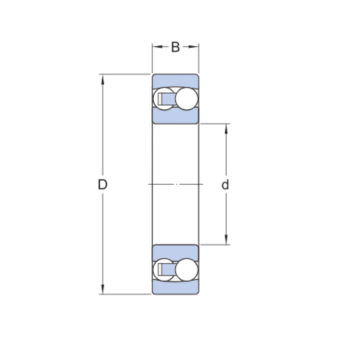
Ložisko 1310 - CX

Rozmer: 50x110x27 Značka: CX
Skladom 4 ks na dopyt
+
-
ks