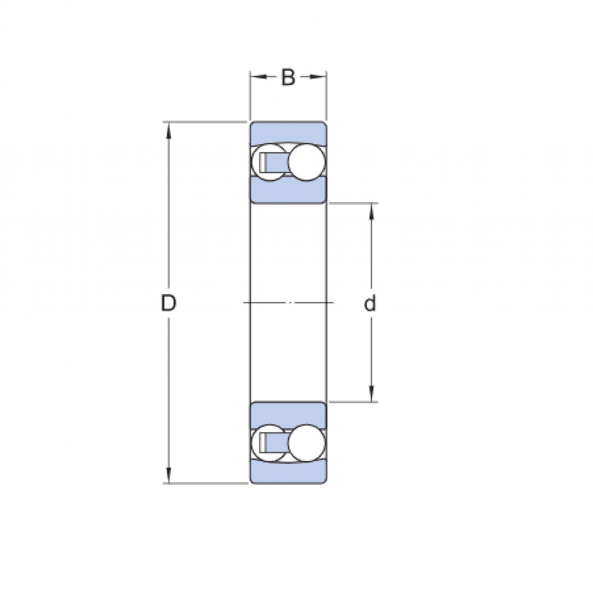
Ložisko 1312 - MTM

Rozmer: 60x130x31 Značka: MTM
Externý sklad na dopyt
+
-
ks