Ložisko 1315 - CX

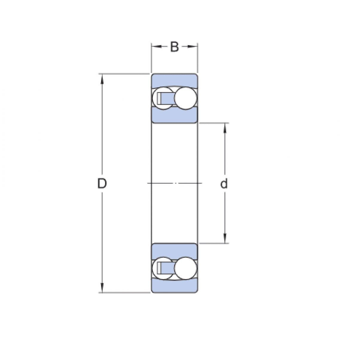
Rozmer: 75x160x37 Značka: CX
Skladom 2 ks na dopyt
+
-
ks