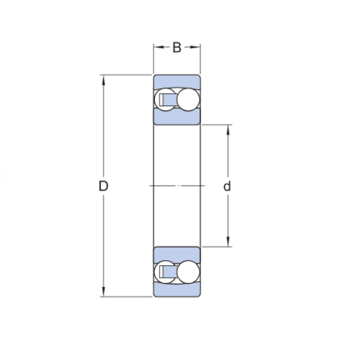
Ložisko 2200 2RS - CX

Rozmer: 10x30x14 Značka: CX
Skladom 1 ks na dopyt
+
-
ks