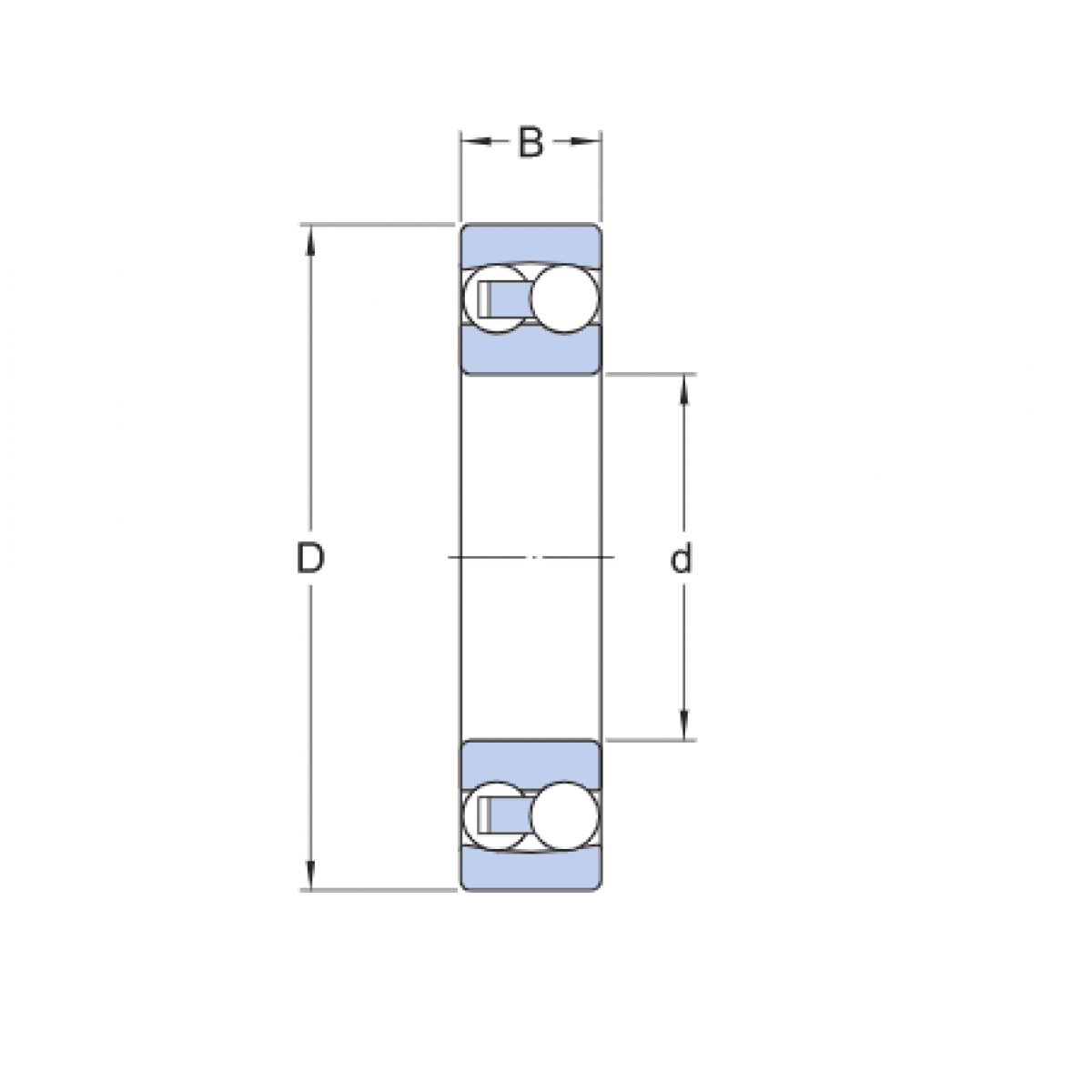
Ložisko 2200 - CX

Rozmer: 10x30x14 Značka: CX
Skladom 3 ks na dopyt
+
-
ks