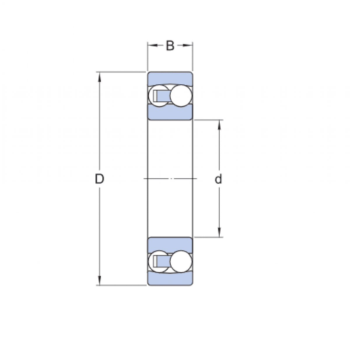
Ložisko 2201 - NSK

Rozmer: 12x32x14 Značka: NSK
Externý sklad na dopyt
+
-
ks