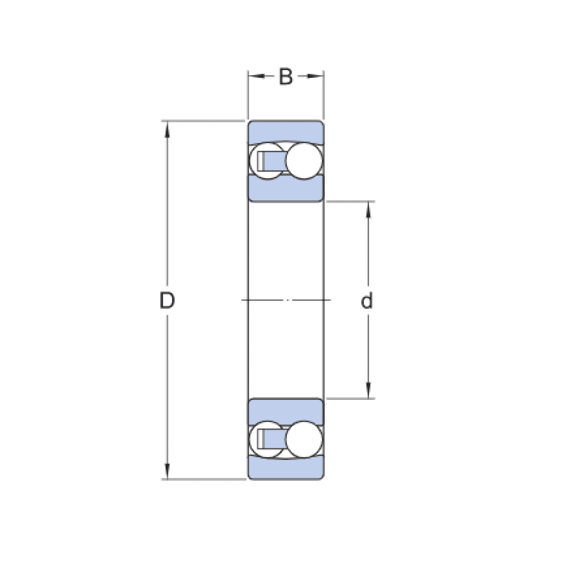
Ložisko 2204 2RS - ISB

Rozmer: 20x47x18 Značka: ISB, JNS
Skladom 4 ks na dopyt
+
-
ks