Ložisko 2210 2RS - ISB

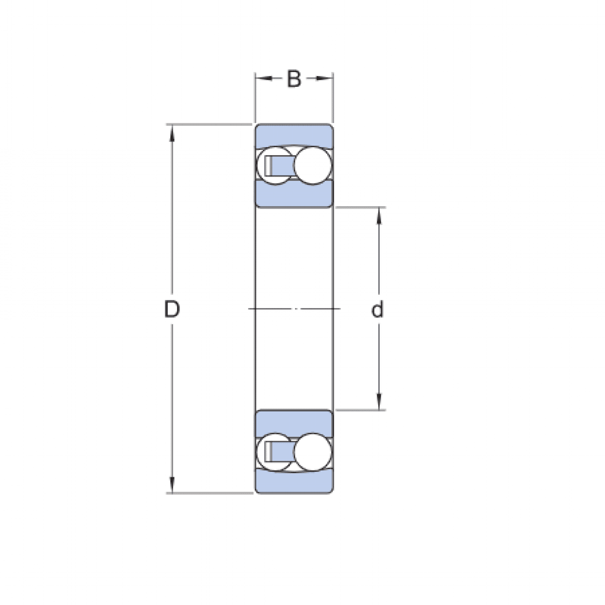
Rozmer: 50x90x23 Značka: ISB, JNS
Externý sklad na dopyt
+
-
ks