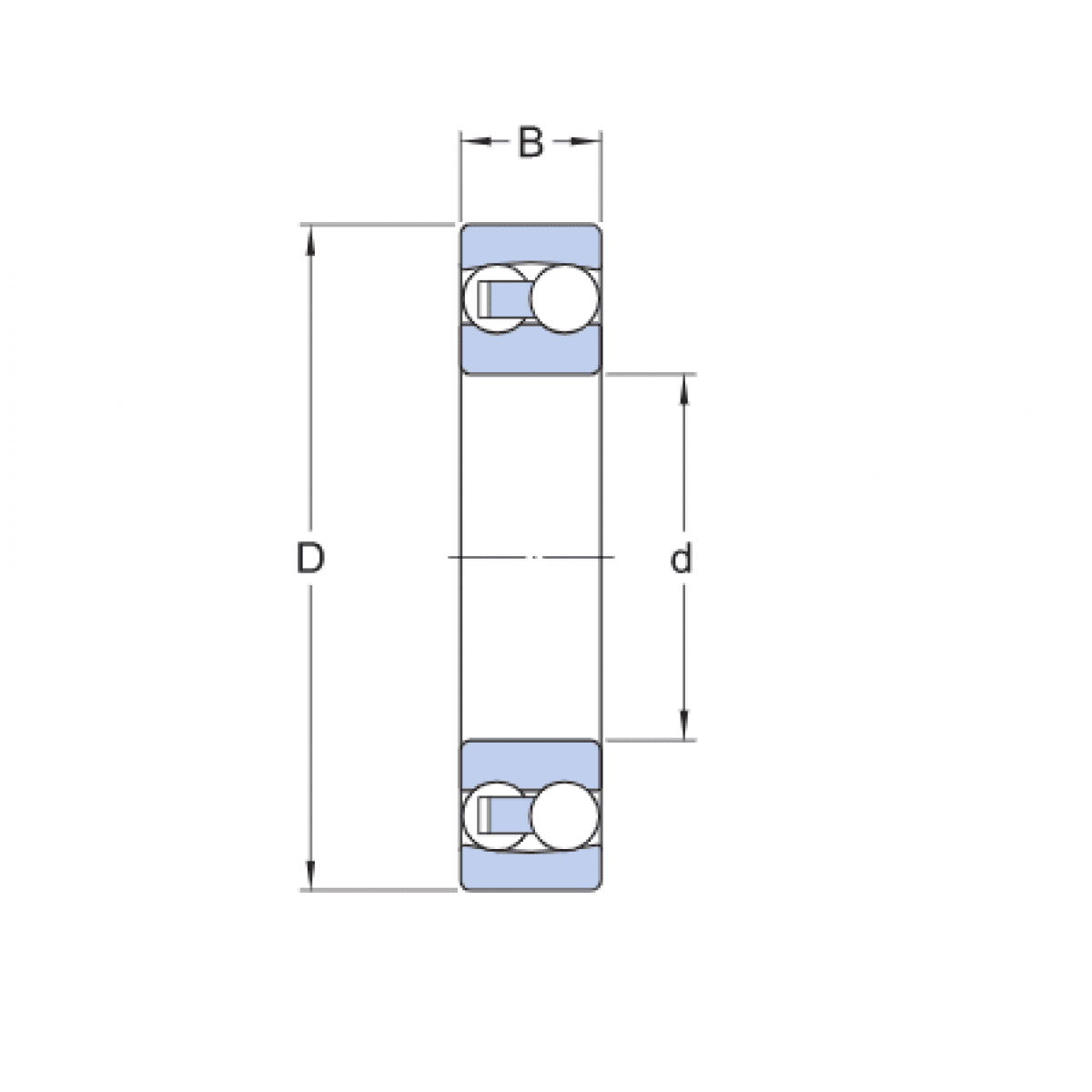
Ložisko 2210 - CX

Rozmer: 50x90x23 Značka: CX
Externý sklad na dopyt
+
-
ks