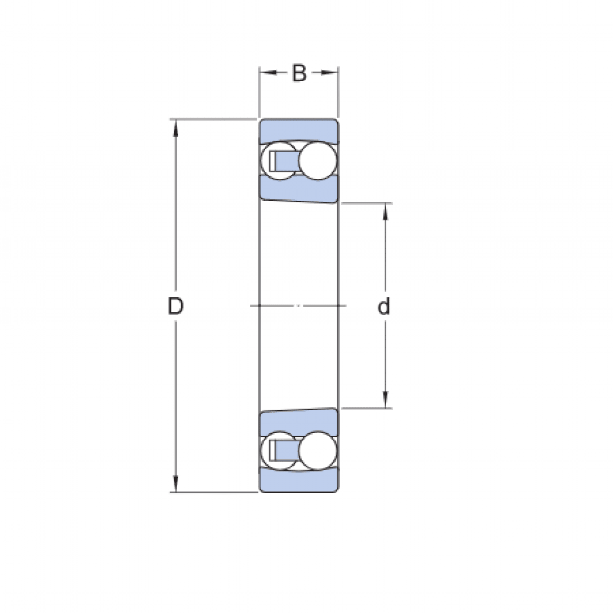
Ložisko 2213 K - ZKL

Rozmer: 65x120x31 Značka: ZKL
Externý sklad na dopyt
+
-
ks