Ložisko 2214 - CX

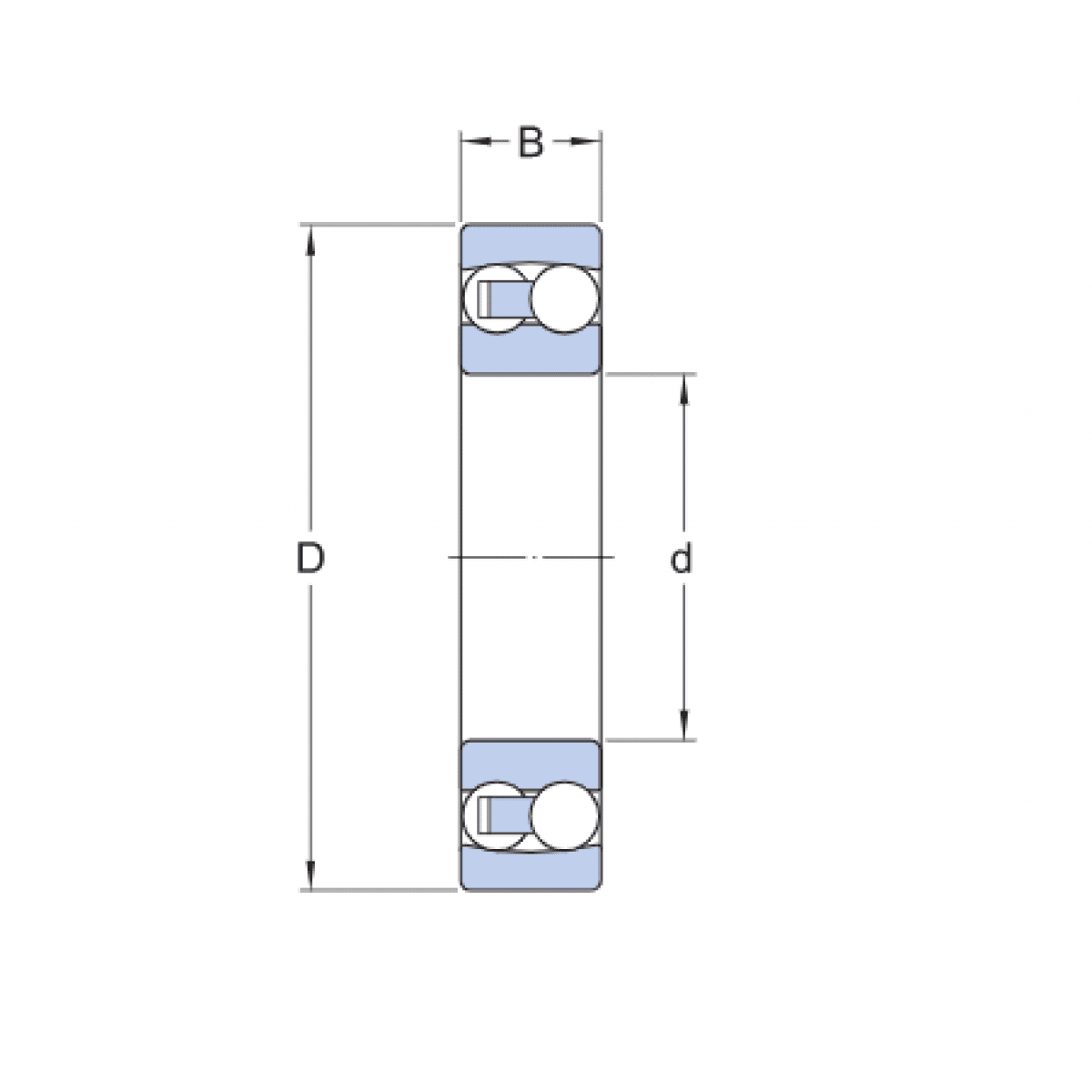
Rozmer: 70x125x31 Značka: CX
Skladom 3 ks na dopyt
+
-
ks