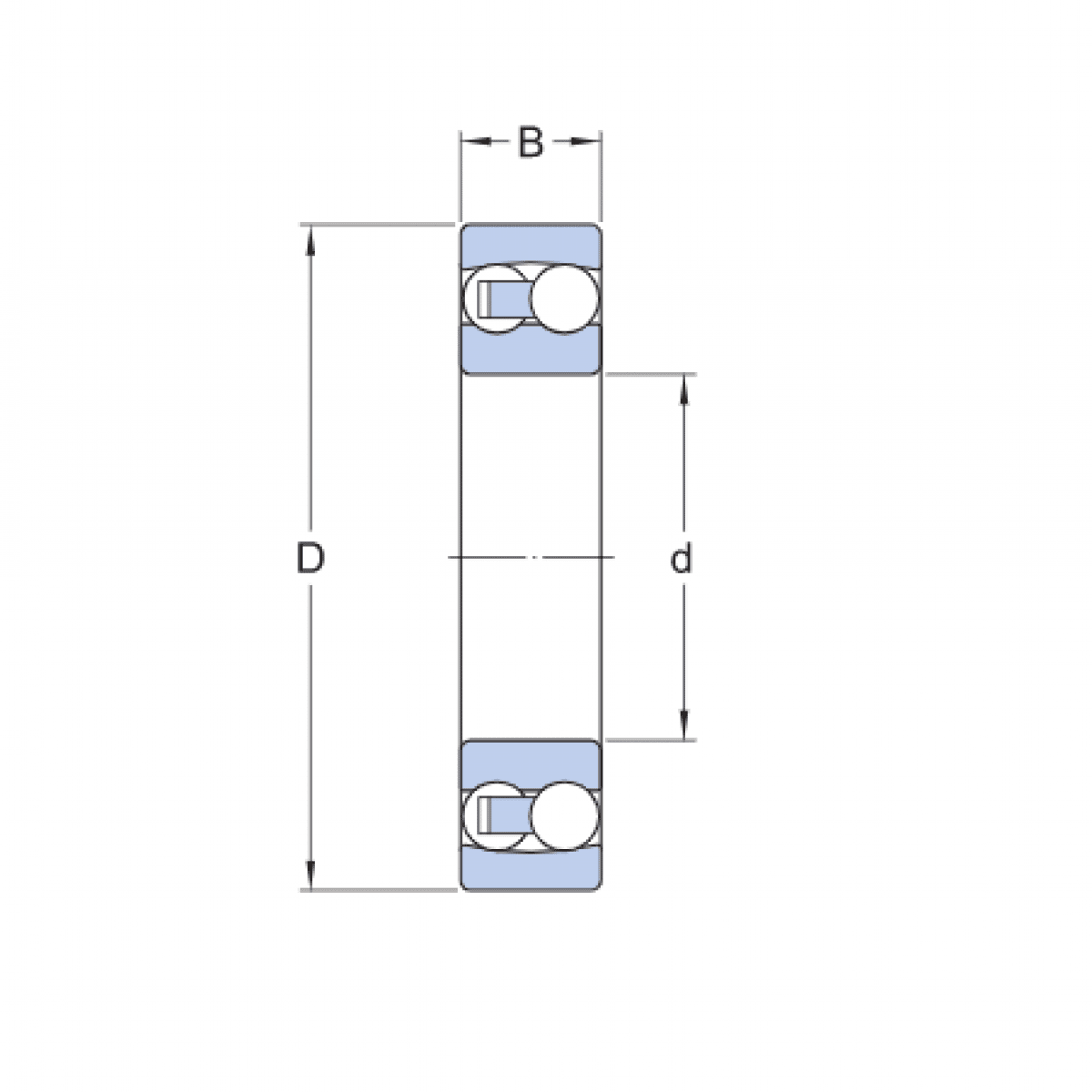
Ložisko 2215 - CX

Rozmer: 75x130x31 Značka: CX
Skladom 2 ks na dopyt
+
-
ks