Ložisko 2215 - ZVL

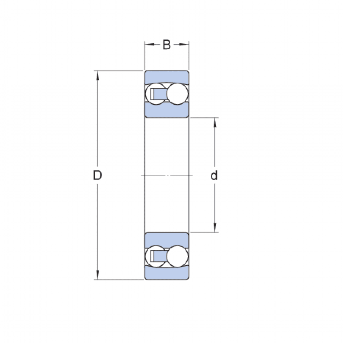
Rozmer: 75x130x31 Značka: ZVL
Skladom 4 ks na dopyt
+
-
ks