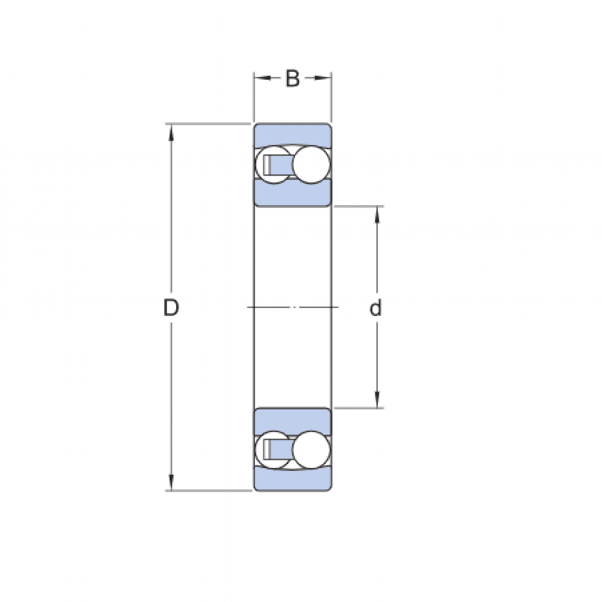
Ložisko 2216 - CX

Rozmer: 80x140x33 Značka: CX
Skladom 1 ks na dopyt
+
-
ks