Ložisko 2218 - CX

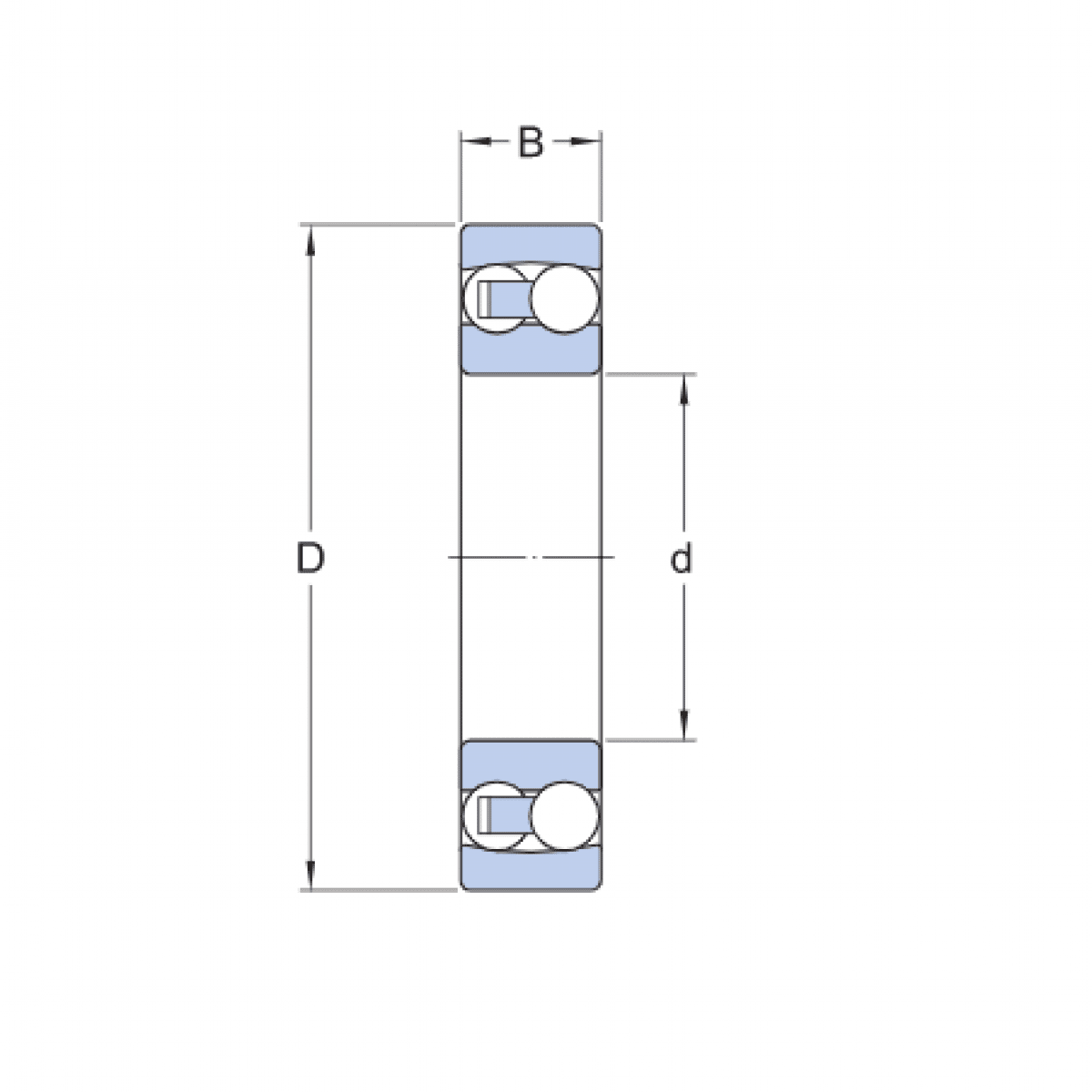
Rozmer: 90x160x40 Značka: CX
Skladom 1 ks na dopyt
+
-
ks