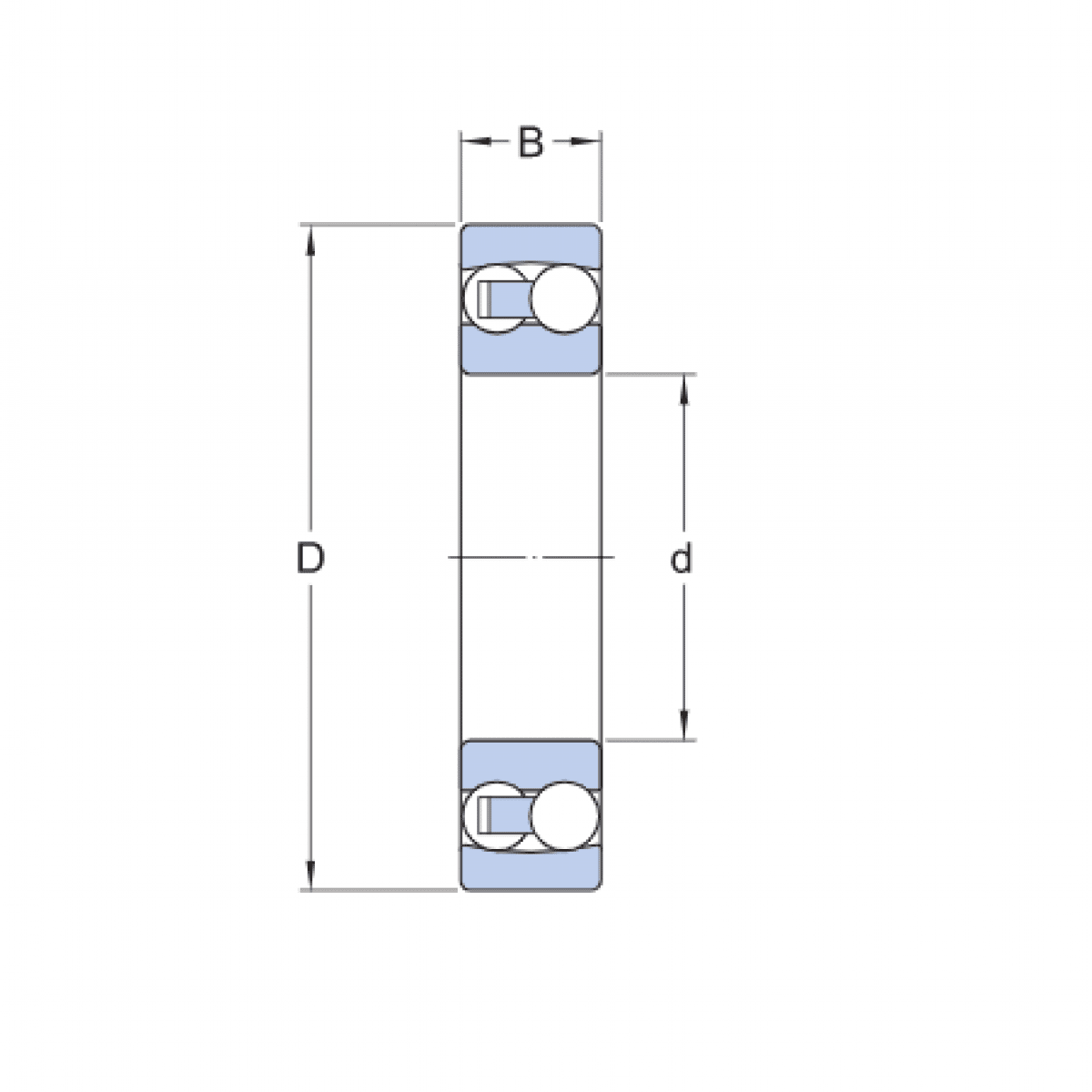
Ložisko 2218 - ZKL NEW

Rozmer: 90x160x40 Značka: ZKL
Externý sklad na dopyt
+
-
ks