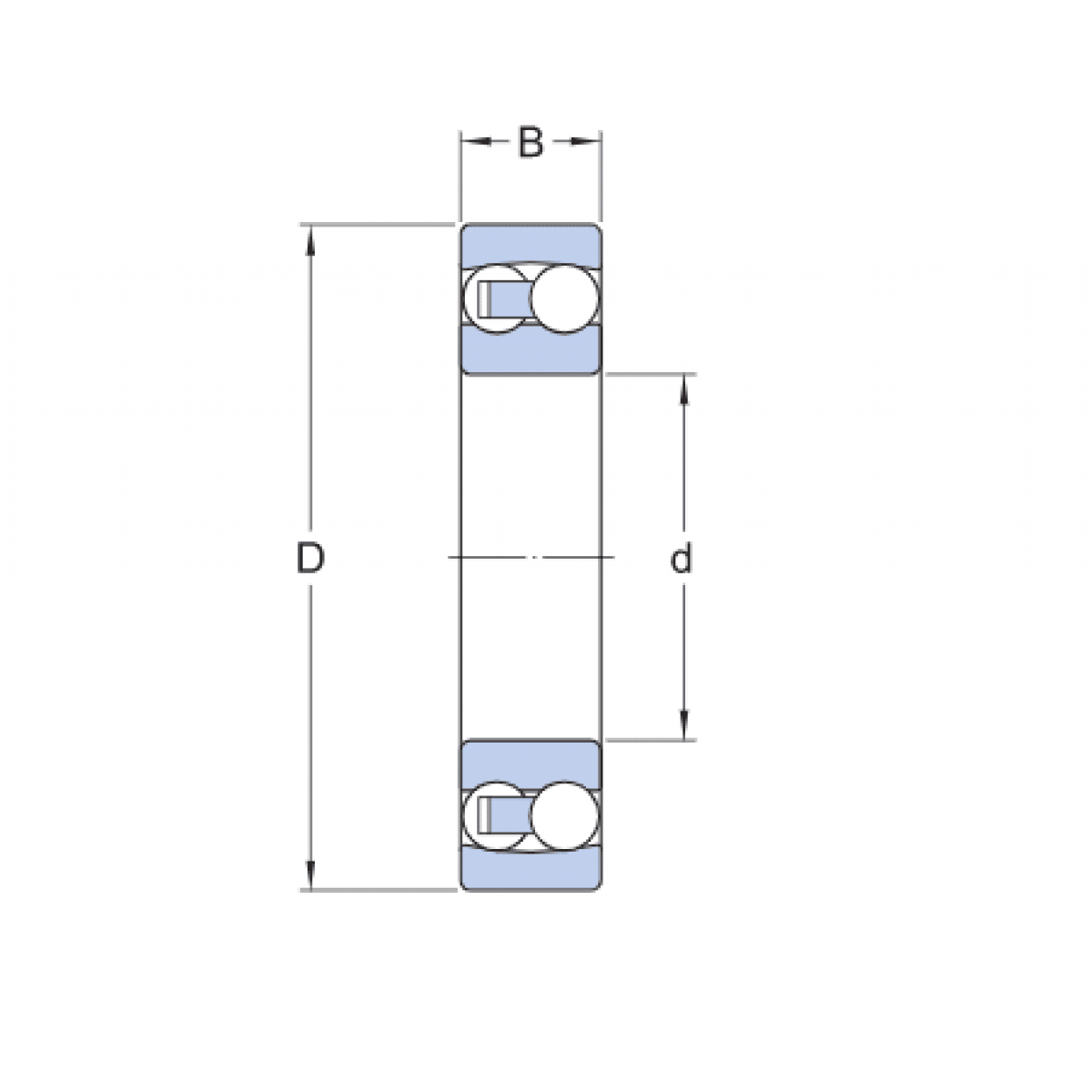
Ložisko 2302 2RS - MTM

Rozmer: 15x42x17 Značka: MTM
Externý sklad na dopyt
+
-
ks