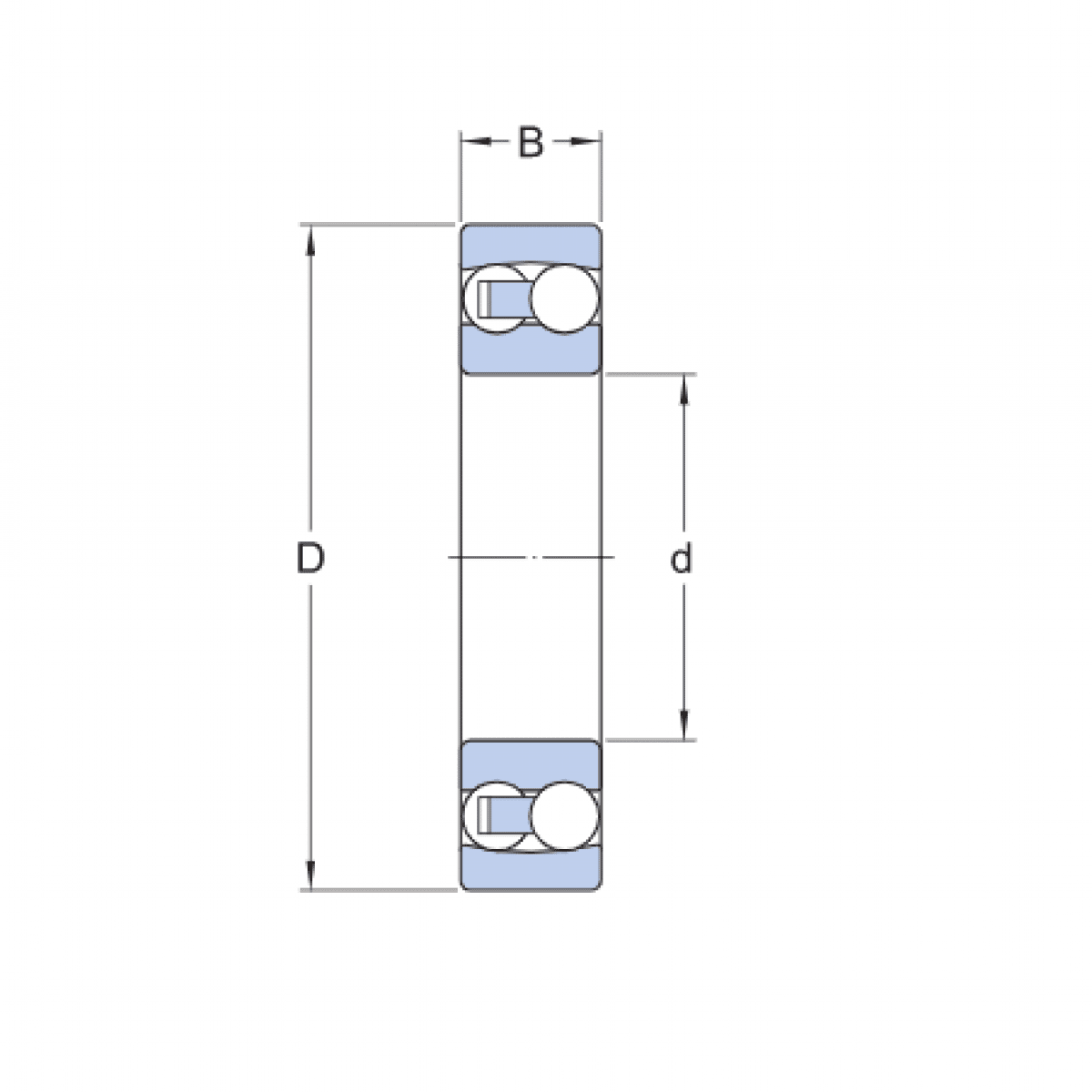
Ložisko 2303 - SKF

Rozmer: 17x47x19 Značka: SKF
Externý sklad na dopyt
+
-
ks