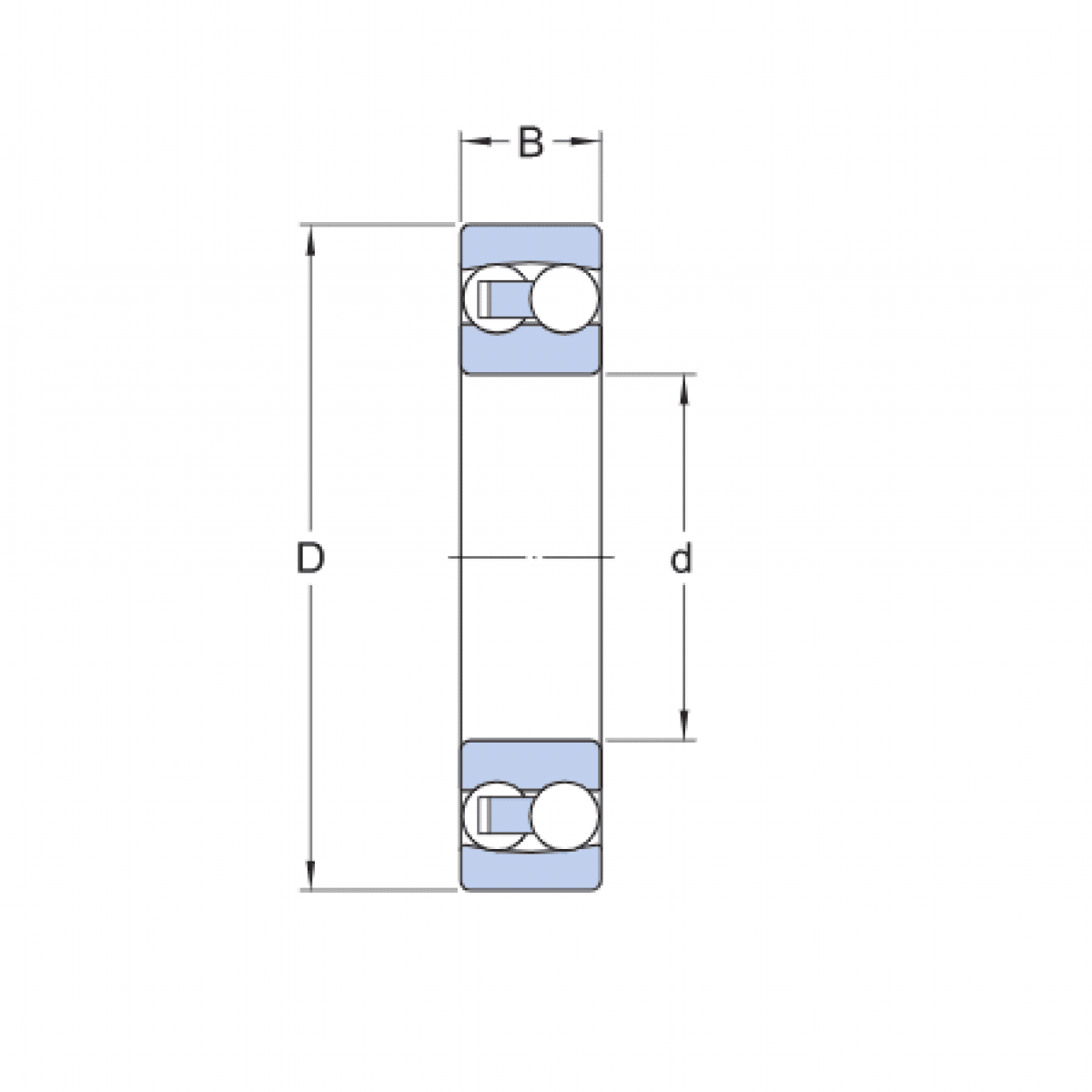
Ložisko 2304 2RS - CX

Rozmer: 20x52x21 Značka: CX
Skladom 10 ks na dopyt
+
-
ks