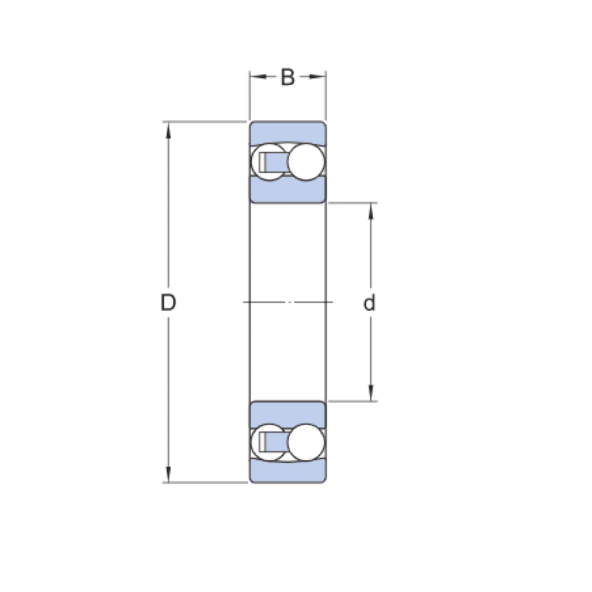
Ložisko 2305 2RS - CX

Rozmer: 25x62x24 Značka: CX
Skladom 2 ks na dopyt
+
-
ks