Ložisko 2307 - CX

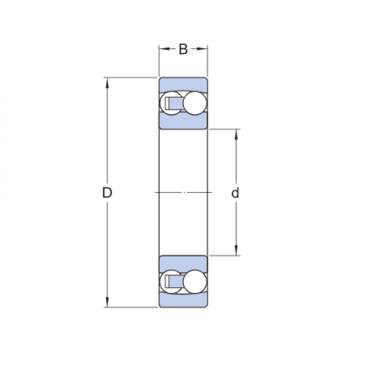
Rozmer: 35x80x31 Značka: CX
Skladom 10 ks na dopyt
+
-
ks