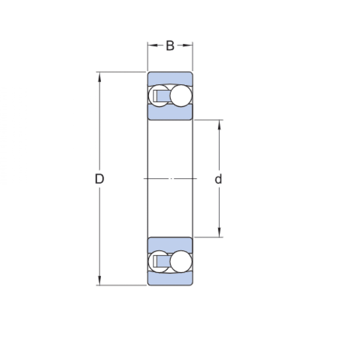
Ložisko 2308 - ISB

Rozmer: 40x90x33 Značka: ISB, JNS
Skladom 2 ks na dopyt
+
-
ks